製品
ステンレス製グローブバルブ
  • ステンレス製グローブバルブステンレス製グローブバルブ

ステンレス製グローブバルブ

JQFバルブ製の耐久性に優れたステンレス鋼製グローブバルブJ41H、J41Y、J41W。開閉部は円筒状の弁フラップで、シール面は平面または円錐形で、弁フラップは流体の中心線に沿って直線的に動きます。ステンレス製カットオフバルブは全開・全閉のみに適しています。通常、流量調整には使用しません。カスタマイズ時に調整したり、スロットルを調整したりできます。
佛山金丘バルブ有限公司は、設計、開発、製造、販売、サービスを統合した高品質のステンレス製グローブバルブメーカーです。当社の主力製品には、各種制御弁、電動弁、空圧弁、電磁弁、手動弁、アクチュエーター、バルブ付属品が含まれます。
当社のステンレス鋼製グローブバルブは、ステンレス鋼製の鋳造本体を使用し、両端をフランジで接続したゲートバルブ構造のゲートバルブです。その中心的な機能は、流れを正確に調整したり、パイプライン内の媒体を確実に遮断したりすることです。
優れた耐食性と信頼性の高いシール性能により、化学、石油化学、食品、製薬業界における腐食性媒体や高清浄度用途に推奨されるバルブの 1 つとなっています。
Customers trust JQF valves' high quality, reliable performance, and good and comprehensive customer service. We will continue to innovate to provide first-class valve solutions.

1. シンプルな構造:ステンレス製グローブバルブの設計はシンプルで、製造とメンテナンスが便利で効率的です。
2. 迅速な応答: 動作ストロークが短いため、非常に高速なバルブ開閉が可能です。
3.耐久性のあるシール:優れたシール効果、最小限の摩擦抵抗、長寿命。

エグゼクティブスタンダード

設計仕様:GB/T12235
構造の長さ: GB / T 12221
フランジ接続:JB/T79
試験・検査:JB/T9002
製品識別:GB/T12220
納入仕様:JB/T7928

パフォーマンスパラメータ

モデル J41H-16C~160C J41Y-16C~160C J41W-16P~160P
使用圧力(MPa) 1.6~16.0
適正温度(℃) ≤425 ≤150
適切なメディア 水、蒸気、油 弱い腐食性媒体
材料 ボディ、ボンネット 炭素鋼 クロムニッケルチタンステンレス鋼
バルブステム クロムステンレス鋼 クロムニッケルチタンステンレス鋼
シール面 鉄基合金の表面仕上げ 硬化肉盛合金 本体材質
フィラー アスベストグラファイト、フレキシブルグラファイト、PTFE

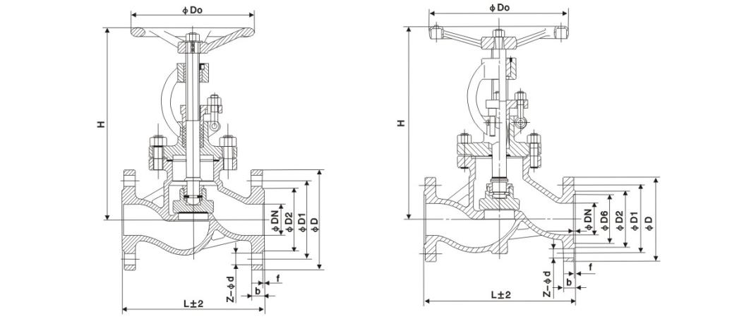
主な形状と接続サイズ

呼び径 主要寸法と接続寸法
L D D1 D2 b Z-d H D0
J41H-16C
15 130 95 65 45 14-2 4-Φ14 170 120
20 150 105 75 55 14-2 4-Φ14 190 140
25 160 115 85 65 14-2 4-Φ14 205 160
32 180 135 100 78 16-2 4-Φ18 270 180
40 200 145 110 85 16-3 4-Φ18 310 200
50 230 160 125 100 16-3 4-Φ18 358 240
65 290 180 145 120 18-3 4-Φ18 373 240
80 310 195 160 135 20-3 8-Φ18 435 280
100 350 215 180 155 20-3 8-Φ18 500 300
125 400 245 210 185 22-3 8-Φ18 614 320
150 480 280 240 210 24-3 8-Φ23 674 360
200 600 335 295 265 26-3 12-Φ23 811 400
250 650 405 355 320 30-3 12-Φ25 969 450
300 750 460 410 375 30-3 12-Φ25 1145 580
350 850 520 470 435 34-4 16-Φ25 1280 640
400 980 580 525 485 36-4 16-Φ30 1452 640
J41H-25C
15 130 95 65 45 16-2 4-Φ14 170 120
20 150 105 75 55 16-2 4-Φ14 190 140
25 160 115 85 65 16-2 4-Φ14 205 160
32 180 135 100 78 18-2 4-Φ18 270 180
40 200 145 110 85 18-3 4-Φ18 310 200
50 230 160 125 100 20-3 4-Φ18 358 240
65 290 180 145 120 22-3 8-Φ18 373 240
80 310 195 160 135 22-3 8-Φ18 435 280
100 350 230 190 160 24-3 8-Φ23 500 300
125 400 270 220 188 28-3 8-Φ25 614 320
150 480 300 250 218 30-3 8-Φ25 674 360
200 600 360 310 278 34-3 12-Φ25 811 400
250 650 425 370 332 36-3 12-Φ30 969 450
300 750 485 430 390 40-4 16-Φ30 1145 580
350 850 550 490 448 44-4 16-Φ34 1280 640
400 980 610 550 505 48-4 16-Φ34 1452 640

構造図

ホットタグ: ステンレス鋼グローブ バルブ、中国、カスタマイズされた、品質、耐久性、高度な、メーカー、サプライヤー、工場、在庫あり
お問い合わせを送信
連絡先情報

ゲートバルブ、グローブバルブ、チェックバルブに関するお問い合わせや価格表については、メールにてお問い合わせください。24時間以内にご連絡いたします。

X
当社は Cookie を使用して、より良いブラウジング体験を提供し、サイトのトラフィックを分析し、コンテンツをパーソナライズします。このサイトを使用すると、Cookie の使用に同意したことになります。 プライバシーポリシー
拒否する 受け入れる