製品
GB標準グローブバルブ
  • GB標準グローブバルブGB標準グローブバルブ

GB標準グローブバルブ

高品質でカスタマイズされたJ41H、J41Y、およびJ41WタイプGB標準グローブバルブは、中国のバルブ専門メーカーであるJQFバルブによって製造されています。開閉部は円筒形の弁体で、シール面は平面または円錐形です。バルブディスクは流体の中心線に沿って直線的に動きます。 GB標準グローブバルブは全開または全閉用途にのみ適しており、一般に流量調整には使用されませんが、お客様のニーズに応じて流量調整や絞りを行うことができます。
Foshan Jinqiu Valve Co., Ltd. is a manufacturing factory integrating valve R&D, manufacturing, sales, and service. Our durable GB standard globe valves are specifically designed for oxygen pipelines, ensuring safe, stable, and efficient operation. Made from high-quality materials and undergoing rigorous degreasing and cleaning processes, these valves effectively prevent combustion risks and guarantee reliable sealing performance.

在庫のある GB 標準グローブ バルブは、PN1.6 ~ PN16 の圧力範囲と DN15 ~ DN400 のサイズに適しており、冶金、化学、医療ガス、エネルギー産業で常に使用されています。

構造上の特徴

当社は常に革新と卓越性を追求し、高品質のGB標準グローブバルブと優れた顧客サービスで時代に追いつきます。先進的な設備、企業管理、技術サービス人材を積極的に導入し、国内外の高品質なバルブブランドの構築に努めています。新しいお客様も古いお客様も、当社の施設を訪問して視察し、相互利益のために協力し、より良い未来を一緒に創造することを歓迎します。

エグゼクティブスタンダード

設計仕様:GB/T12235
構造の長さ: GB / T 12221
フランジ接続:JB/T79
テストと検査: JB / T 9002
製品識別:GB/T12220
納入仕様:JB/T7928

特徴

1. 合理化され最適化された構造: シンプルな設計により、コンポーネントの製造と装置のメンテナンス効率が 30% 向上します。 2. 瞬時開閉制御:マイクロストローク構造設計により、1サイクルあたり0.8秒の開閉応答速度を実現。 3. 長持ちするシールシステム: 自己潤滑シール表面技術により超低摩擦係数を実現。複合シーリング層は、50,000 回の開閉サイクルを超える耐老化寿命を持っています。

パフォーマンスパラメータ

モデル J41H-16C~160C J41Y-16C~160C J41W-16P~160P
使用圧力(MPa) 1.6~16.0
適正温度(℃) ≤425 ≤150
適切なメディア 水、蒸気、油 弱い腐食性媒体
材料 ボディ、ボンネット 炭素鋼 クロムニッケルチタンステンレス鋼
バルブステム クロムステンレス鋼 クロムニッケルチタンステンレス鋼
シール面 鉄基合金の表面仕上げ 硬化肉盛合金 本体材質
フィラー アスベストグラファイト、フレキシブルグラファイト、PTFE

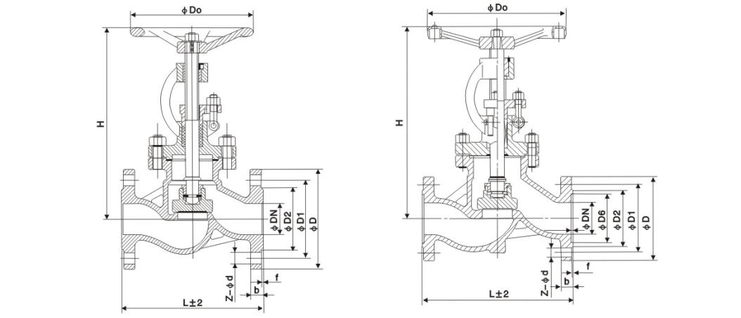
主な形状と接続サイズ

呼び径 主要寸法と接続寸法
L D D1 D2 b Z-d H D0
J41H-16C
15 130 95 65 45 14-2 4-Φ14 170 120
20 150 105 75 55 14-2 4-Φ14 190 140
25 160 115 85 65 14-2 4-Φ14 205 160
32 180 135 100 78 16-2 4-Φ18 270 180
40 200 145 110 85 16-3 4-Φ18 310 200
50 230 160 125 100 16-3 4-Φ18 358 240
65 290 180 145 120 18-3 4-Φ18 373 240
80 310 195 160 135 20-3 8-Φ18 435 280
100 350 215 180 155 20-3 8-Φ18 500 300
125 400 245 210 185 22-3 8-Φ18 614 320
150 480 280 240 210 24-3 8-Φ23 674 360
200 600 335 295 265 26-3 12-Φ23 811 400
250 650 405 355 320 30-3 12-Φ25 969 450
300 750 460 410 375 30-3 12-Φ25 1145 580
350 850 520 470 435 34-4 16-Φ25 1280 640
400 980 580 525 485 36-4 16-Φ30 1452 640
J41H-25C
15 130 95 65 45 16-2 4-Φ14 170 120
20 150 105 75 55 16-2 4-Φ14 190 140
25 160 115 85 65 16-2 4-Φ14 205 160
32 180 135 100 78 18-2 4-Φ18 270 180
40 200 145 110 85 18-3 4-Φ18 310 200
50 230 160 125 100 20-3 4-Φ18 358 240
65 290 180 145 120 22-3 8-Φ18 373 240
80 310 195 160 135 22-3 8-Φ18 435 280
100 350 230 190 160 24-3 8-Φ23 500 300
125 400 270 220 188 28-3 8-Φ25 614 320
150 480 300 250 218 30-3 8-Φ25 674 360
200 600 360 310 278 34-3 12-Φ25 811 400
250 650 425 370 332 36-3 12-Φ30 969 450
300 750 485 430 390 40-4 16-Φ30 1145 580
350 850 550 490 448 44-4 16-Φ34 1280 640
400 980 610 550 505 48-4 16-Φ34 1452 640

構造図

ホットタグ: GB 標準グローブ バルブ、中国、カスタマイズ、品質、耐久性、高度な、メーカー、サプライヤー、工場、在庫あり
お問い合わせを送信
連絡先情報

ゲートバルブ、グローブバルブ、チェックバルブに関するお問い合わせや価格表については、メールにてお問い合わせください。24時間以内にご連絡いたします。

X
当社は Cookie を使用して、より良いブラウジング体験を提供し、サイトのトラフィックを分析し、コンテンツをパーソナライズします。このサイトを使用すると、Cookie の使用に同意したことになります。 プライバシーポリシー
拒否する 受け入れる