製品
鋳鋼逆止弁
  • 鋳鋼逆止弁鋳鋼逆止弁

鋳鋼逆止弁

Jinqiu Valve は、高品質の鋳鋼逆止弁を製造しています。これは、媒体の流れの圧力に基づいて自動的に開き、媒体が逆流すると重力または背圧によって自動的に閉じる自動バルブです。これらのバルブはさまざまな産業用パイプラインに適しており、通常は鋳鋼で作られており、さまざまな媒体や温度条件に適用できます。

Jinqiu Valve 工場の耐久性のある鋳鋼逆止弁は、両側が対称であり、双方向の媒体の流れを可能にします。設置が簡単でパイプラインの方向を考慮する必要がなく、操作も柔軟で便利です。私たちの工場は誠実さと品質第一の原則を遵守しています。皆様からのお問い合わせを心より歓迎し、長期的な協力関係を築いていきたいと考えております。当社には製造面での優位性があり、お客様には販売面での優位性があります。私たちは協力することでWin-Winの関係を実現できると信じており、一緒に成長していきたいと考えています。


1. 低い流体抵抗:鋳鋼製チェックバルブの内部媒体は最小限の抵抗で直線的に流れ、スムーズな流体輸送を促進し、エネルギー効率と実用性を高めます。
2. 開閉が簡単:鋳鋼逆止弁のゲートは流体とともに垂直に移動するため、開閉に必要な力は最小限で、操作が簡素化され、人件費が節約されます。
3. 媒体の流れ方向に制限がない: 鋳鋼製逆止弁は両側対称で、双方向の媒体の流れが可能です。設置時に配管の流れ方向を考慮する必要がないため、柔軟で便利な操作が可能です。
4. 優れたシール性:全開時の摩耗が少ない。閉じた状態では、圧力によりシールが強制的に行われ、媒体の漏れを効果的に防ぎます。

パフォーマンスパラメータ

モデル H44H-16C~2=-0 H44W-16P~250
使用圧力(MPa) 1.6~25
適正温度(℃) ≤425 ≤550
適切なメディア 水、蒸気、油 弱い腐食性媒体
材料 ボディ、ボンネット、ディスク 炭素鋼 クロムニッケルチタンステンレス鋼
シール面 鉄基合金を表面処理した炭素鋼 本体密閉型

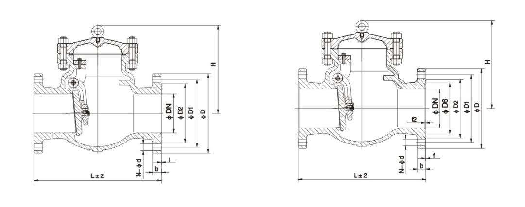
主な形状と接続寸法

呼び径DN 主要寸法と接続寸法
L D D1 D2 b Z-d H
H44H-16C H44W-16C H44W-16P H44W-16R H44W-16I
25 160 115 85 65 16 4-14 100
32 180 135 100 78 16 4-18 105
40 200 145 100 85 16 4-18 115
50 230 160 125 100 16 4-18 135
65 290 180 145 120 18 4-18 142
80 310 195 160 135 20 8-18 165
100 350 215 180 155 20 8-18 180
125 400 245 210 185 22 8-18 210
150 480 280 240 210 24 8-23 233
200 500 335 295 265 26 12-23 304
250 550 405 355 320 30 12-25 348
300 650 460 410 375 30 12-25 390
350 750 520 470 435 34 16-25 430
400 850 580 525 485 36 16-30 468
H44H-25 H44W-25 H44W-25P H44W-25R H44W-25I
25 160 115 85 65 16 4-14 100
32 180 135 100 78 16 4-18 105
40 200 145 110 85 16 4-18 115
50 230 160 125 100 20 4-18 160
65 290 180 145 120 22 8-18 175
80 310 195 160 135 22 8-18 185
100 350 230 190 160 24 8-23 220
125 400 270 220 188 28 8-25 248
150 480 300 250 218 30 8-25 276
200 550 360 310 278 34 12-25 350
250 650 425 370 332 36 12-30 410
300 750 485 430 390 40 16-30 430
350 850 550 490 448 44 16-34 518
400 950 610 550 505 48 16-34 560

構造図

ホットタグ: 鋳鋼逆止弁、中国、カスタマイズされた、品質、耐久性、高度な、メーカー、サプライヤー、工場、在庫あり
お問い合わせを送信
連絡先情報

ゲートバルブ、グローブバルブ、チェックバルブに関するお問い合わせや価格表については、メールにてお問い合わせください。24時間以内にご連絡いたします。

X
当社は Cookie を使用して、より良いブラウジング体験を提供し、サイトのトラフィックを分析し、コンテンツをパーソナライズします。このサイトを使用すると、Cookie の使用に同意したことになります。 プライバシーポリシー
拒否する 受け入れる